手机:135-3059-7494

您现在的位置:首页 > 新闻动态 > 行业新闻


新闻动态 > 行业新闻 > 新闻动态 > 行业新闻
公司新闻行业新闻

PLC和传感器工作原理是怎样的?PLC和传感器工作原理动图

来源:www.suxinshengtai.com 作者:日弘智能 发表时间:2023-04-04 15:44:28 关键词:PLC,传感器

  自动化集成系统配套服务商-日弘智能今天为大家讲讲PLC和传感器工作原理是怎样的PLC控制系统,Programmable Logic Controller,可编程逻辑控制器,专为工业生产设计的一种数字运算操作的电子装置,它采用一类可编程的存储器,用于其内部存储程序,执行逻辑运算,顺序控制,定时,计数与算术操作等面向用户的指令,并通过数字或模拟式输入/输出控制各种类型的机械或生产过程,是工业控制的核心部分。

  自二十世纪六十年代美国推出可编程逻辑控制器(Programmable Logic Controller,PLC)取代传统继电器控制装置以来,PLC得到了快速发展,在世界各地得到了广泛应用。同时,PLC的功能也不断完善。随着计算机技术、信号处理技术、控制技术网络技术的不断发展和用户需求的不断提高,PLC在开关量处理的基础上增加了模拟量处理和运动控制等功能。今天的PLC不再局限于逻辑控制,在运动控制、过程控制等领域也发挥着十分重要的作用。

  下面是PLC动画图,来学习一下这些动图吧!

  PLC动画

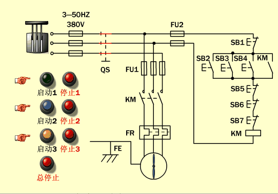
  PLC顺序控制

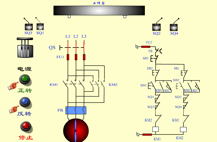
  PLC正反转控制

  按钮开关

  冲孔加工

  断电延时型时间继电器

  多点控制

  滚轮式行程开关

  红绿灯

  机械手

  交流接触器

  热继电器

  三相闸刀

  时间继电器

  手动控制

  速度继电器

  星三角启动

  异步电动机转动原理

  自动往返控制

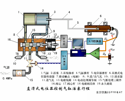
  传感器工作原理动图

  PLC控制系统,Programmable Logic Controller,可编程逻辑控制器,专为工业生产设计的一种数字运算操作的电子装置,它采用一类可编程的存储器,用于其内部存储程序,执行逻辑运算,顺序控制,定时,计数与算术操作等面向用户的指令,并通过数字或模拟式输入/输出控制各种类型的机械或生产过程,是工业控制的核心部分。

  自二十世纪六十年代美国推出可编程逻辑控制器(Programmable Logic Controller,PLC)取代传统继电器控制装置以来,PLC得到了快速发展,在世界各地得到了广泛应用。同时,PLC的功能也不断完善。随着计算机技术、信号处理技术、控制技术网络技术的不断发展和用户需求的不断提高,PLC在开关量处理的基础上增加了模拟量处理和运动控制等功能。今天的PLC不再局限于逻辑控制,在运动控制、过程控制等领域也发挥着十分重要的作用。

  下面是巨力方视觉小编收集到的PLC动画图,来学习一下这些动图吧!

  PLC动画

  PLC顺序控制

  PLC正反转控制

  按钮开关

  冲孔加工

  断电延时型时间继电器

  多点控制

  滚轮式行程开关

  红绿灯

  机械手

  交流接触器

  热继电器

  三相闸刀

  时间继电器

  手动控制

  速度继电器

  星三角启动

  异步电动机转动原理

  自动往返控制

  传感器工作原理动图



  关于PLC和传感器工作原理是怎样的的知识点,想要了解更多的,可关注日弘智能,如有需要了解更多运动控制卡,运动控制器,Ethercat总线控制器,Codesys,视觉系统,视觉运动控制系统,视觉激光打标机系统,视觉点胶机系统,五轴联动系统,振动刀切割系统,裁布切割系统的相关技术知识,欢迎留言获取!




推荐资讯

服务热线

135-3059-7494

联系人:吴先生

135-3059-7494

微信服务号

Baidu
map
Baidu
map